Interruttori Differenziali Magnetotermici 2 Moduli

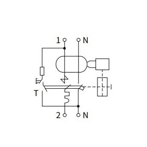
Gli interruttori differenziali magnetotermici a 2 moduli rappresentano una soluzione ideale per garantire sicurezza e protezione negli impianti elettrici. Progettati per combinare la funzione magnetotermica (protezione contro sovraccarichi e cortocircuiti) con quella differenziale (protezione da dispersioni elettriche), offrono prestazioni affidabili e conformi alle normative di sicurezza. Questi dispositivi, conosciuti anche come RCBO (Residual Current Breaker with Overcurrent), uniscono due funzioni in un unico modulo compatto.

Disponibili in diverse opzioni di amperaggio, gli interruttori differenziali magnetotermici 2 moduli sono ideali per gestire correnti e carichi più elevati, adattandosi perfettamente a ogni tipo di impianto, sia residenziale che industriale. La struttura a 2 moduli garantisce maggiore flessibilità e compatibilità con quadri elettrici più grandi, offrendo una soluzione robusta e versatile.

La gamma include amperaggi da 6A a 40A, con un design progettato per un'installazione semplice e intuitiva. Perfetti sia per nuovi impianti che per aggiornamenti di sistemi esistenti, gli interruttori garantiscono il corretto funzionamento delle apparecchiature e la massima protezione degli impianti elettrici.

Con i nostri interruttori differenziali magnetotermici 2 moduli, scegli affidabilità, durata e sicurezza per ogni esigenza. Ogni modello è realizzato con materiali di alta qualità per offrire prestazioni eccellenti nel tempo.
Prodotto aggiunto alla lista dei preferiti